info@evergaingroup.com
Home
About Us
Aluminum Profiles
Production Process
Aluminum Profiles
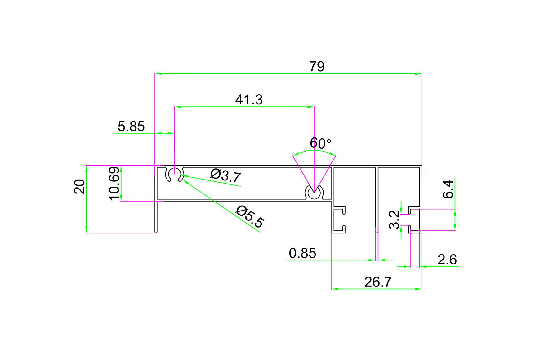
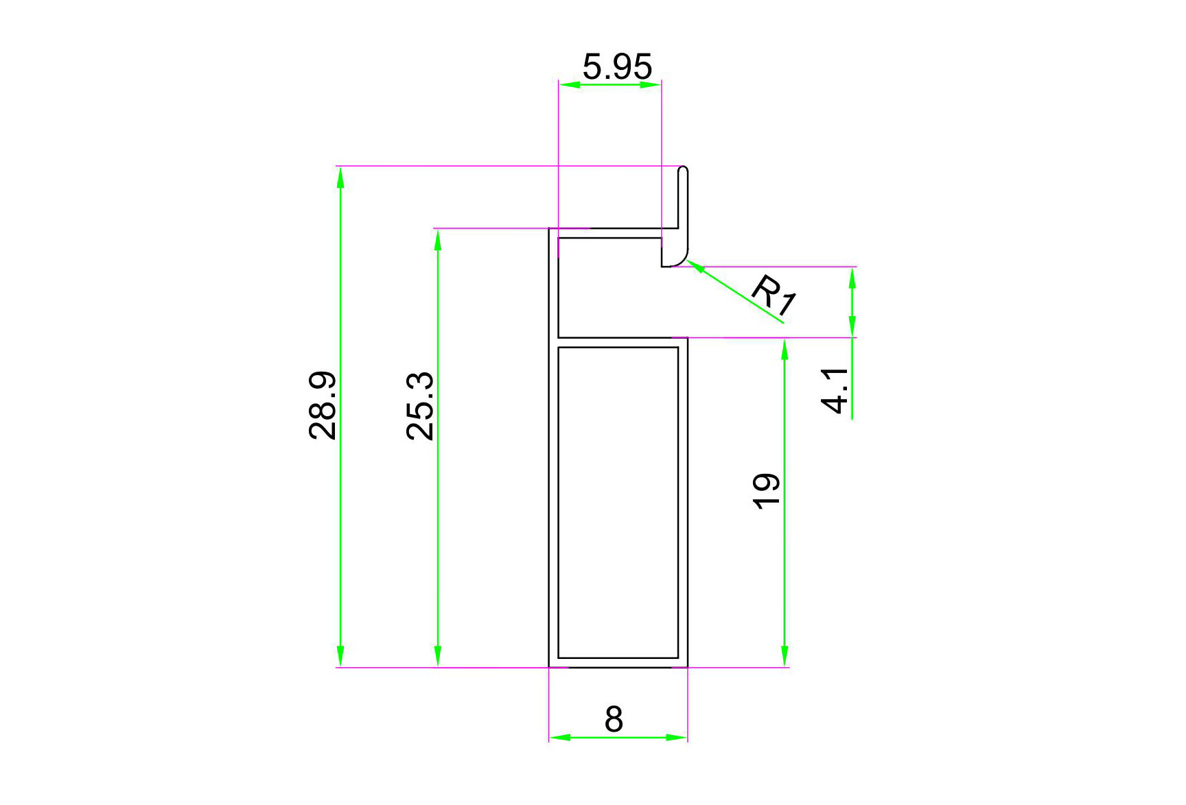
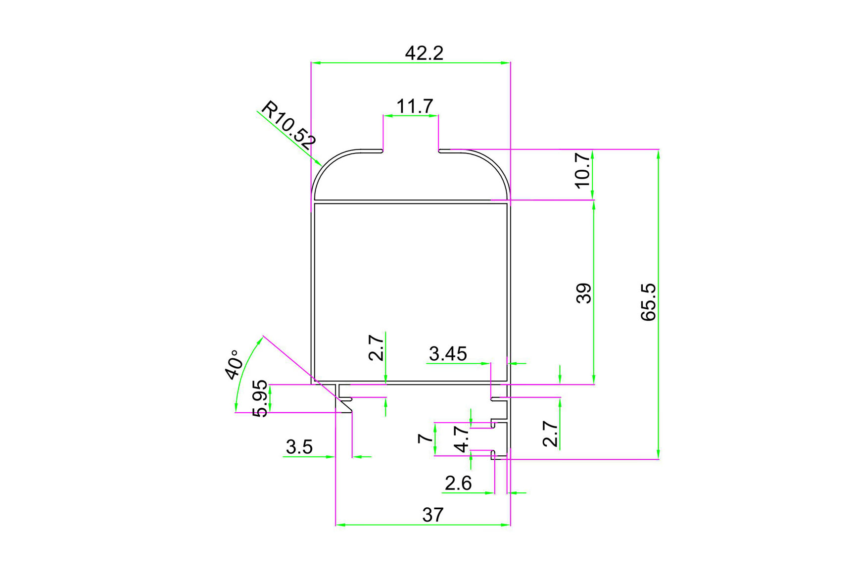
Molds
Silicone Sealant
Interior Silicone Sealant
Exterior Silicone Sealant
Structural Silicone Sealant
Structural Adhesive
Glass Machinery
Glass Cutting Machine Series
Glass Washing & Drying Machine Series
Glass Edging Machine Series
Glass Tempering Furnace Series
Glass Laminating Furnace
PVB Laminated Glass Production Line
Glass Drilling Machine Series
Vertical CNC Machine
News
Contact Us
+86 18678999890
Molds
Home
Aluminum Profiles
Molds
Aluminum Profiles
Production Process
Aluminum Profiles
Molds
Contact Us
Email:
info@evergaingroup.com
Tel.:
+86-532-6872 1300
Add.:
No.36,Miaoling Road,Qingdao 266071, China.
African Molds